8,340.00 ₽
Настоящий стандарт распространяется на угольники для трубопроводов, применяемых на предприятиях отраслей нефтехимической промышленности и для производства минеральных удобрений, на Ру св. 10 до 100 МПа (см. 100 до 1000 кгс/см2) и Dy от 6 до 200 мм при температуре среды от минус 50 до плюс 510°С.
Описание
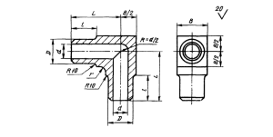
Сборочные единицы и детали трубопроводов УГОЛЬНИКИ НА Ру св. 10 до 100 МПа.
(св. 100 до 1000 кгс/см2) Конструкция и размеры ГОСТ 22820—83.
1. Настоящий стандарт распространяется на угольники для трубопроводов, применяемых на предприятиях отраслей нефтехимической промышленности и для производства минеральных удобрений, на Ру св. 10 до 100 МПа (см. 100 до 1000 кгс/см2) и Dy от 6 до 200 мм при температуре среды от минус 50 до плюс 510°С.
Телефон для связи : WhatsApp.
2. Конструкция и размеры угольников должны соответствовать указанным на чертеже и в таблице.

3. Технические требования — по ГОСТ 22790—89;
Отправляйте ваши заявки на нержавеющие фитинг по чертежу на электронную почту или звоните по телефону:
+7 (495) 223-64-73
+7 (495) 726-11-08
E-mail: air2013@yandex.ru
Пример условного обозначения угольника исполнения 4, Dу65 мм, на условное давление Ру 100 МПа согласно таблице ГОСТ 22790— 89, из стали марки 20ХЗМВФ :
Угольник 4 — 65— 100— 20ХЗМВФ — ГОСТ 22820— 83;
Детали
| Вес | 3.9 кг |
|---|---|
| Габариты | 70 × 40 × 130 м |


