3,890.00 ₽
Производство переходных тройников и бесшовных тройников по стандартам ASTM, ASME, DIN, ISO, ANSI и другим зарубежным стандартам. Бесшовные и точеные тройники и угольники с конической резьбой NPT, R, K, UNF, G и т. д. под высокое давление.
Описание
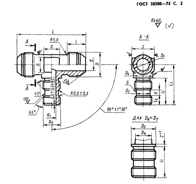
ТРОЙНИКИ ВВЕРТНЫЕ ПЕРЕХОДНЫЕ ПОД РЕЗИНОВОЕ УПЛОТНЕНИЕ ДЛЯ СОЕДИНЕНИЙ ТРУБОПРОВОДОВ ПО НАРУЖНОМУ КОНУСУ.
Конструкция и размеры. гост 20200- 74*.
Телефон для связи : WhatsApp.
1. Конструкция и размеры ввертных; переходных тройников под резиновое уплотнение должны соответствовать указанным на чертеже и в таблице.

- Отправляйте ваши заявки на изготовление ввертных тройников на электронную почту или звоните по телефону:
+7 (495) 223-64-73
+7 (495) 726-11-08
E-mail: air2013@yandex.ru
Пример условного обозначен ия ввертного тройника под резиновое уплотнение к трубопроводу Du =16 мм и с
диаметром d = 9,5 мм из алюминиевого сплава:
Тройник ввертной 16—9,5—31А ГОСТ 20200—74;
То же, из стали марки 45:
Тройник ввертной 16—9,5—22А ГОСТ 20200—74;
То же, из стали марки 12Х18Н9Т:
Тройник ввертной 16—9,5—13А ГОСТ 20200—74;
То же, из стали марки 13X11Н2В2МФ:
Тройник ввертной 16—9,5—11А ГОСТ 20200—74;
То же, из бронзы:
Тройник ввертной 16—9,5—41А ГОСТ 20200—74;
То же, для изделий общего применения:
Тройник ввертной 16—9,5—31 ГОСТ 20200—74;
Тройник ввертной 16—9,5—22 ГОСТ 20200—74;
Тройник ввертной 16—9,5—13 ГОСТ 20200—74;
Тройник ввертной 16—9,5— 11 ГОСТ 20200—74;
Тройник ввертной 16—9,5—41 ГОСТ 20200—74;
2. Резьбовая часть тройников на длине I — по ГОСТ 13955—74.
3. Допуск радиального биения поверхности Б относительно ос» резьбы Г>2 — 0,08 мм.
4. Маркировать и клеймить — по ГОСТ 13977—74.
5. Технические условия — по ГОСТ 13977—74.
Детали
| Вес | 2.5 кг |
|---|---|
| Габариты | 60 × 30 × 50 м |

