3,450.00 ₽
ДЕТАЛИ И СБОРОЧНЫЕ ЕДИНИЦЫ ИЗ ХРОМОМОЛИБДЕНОВАНАДИЕВЫХ СТАЛЕЙ ДЛЯ ПАРОПРОВОДОВ. ТЕПЛОВЫХ ЭЛЕКТРОСТАНЦИЙ. ТРОЙНИКИ РАВНОПРОХОДНЫЕ ДЛЯ ПАРОПРОВОДОВ ТЭС. КОНСТРУКЦИЯ И РАЗМЕРЫ ОСТ 108.720.05-82.
Описание
ДЕТАЛИ И СБОРОЧНЫЕ ЕДИНИЦЫ ИЗ ХРОМОМОЛИБДЕНОВАНАДИЕВЫХ СТАЛЕЙ ДЛЯ ПАРОПРОВОДОВ ТЕПЛОВЫХ ЭЛЕКТРОСТАНЦИЙ.
ТИПЫ, КОНСТРУКЦИЯ, РАЗМЕРЫ И ТЕХНИЧЕСКИЕ ТРЕБОВАНИЯ ПАРАМЕТРЫ:
ТРОЙНИКИ РАВНОПРОХОДНЫЕ ДЛЯ ПАРОПРОВОДОВ ТЭС. КОНСТРУКЦИЯ И РАЗМЕРЫ ОСТ 108.720.05-82.
Телефон для связи : WhatsApp.
Отраслевые стандарты на детали и сборочные единицы с расчетным ресурсом 200 тыс. ч ОСТ 108.720.05-82.
- 1. Настоящий стандарт распространяется на тройники равнопроходные для паропроводов тепловых электростанций с абсолютным давлением и температурой пара:
p = 25,01 МПа (255 кгс/см2), t = 545 °С;
p = 13,73 МПа (140 кгс/см2), t = 560 °С;
p = 13,73 МПа (140 кгс/см2), t = 545 °С;
p = 13,73 МПа (140 кгс/см2), t = 515 °С;
p = 9,81 МПа (100 кгс/см2), t = 540 °С;
p = 4,02 МПа (41 кгс/см2), t = 545 °С.

Отправляйте ваши заявки на тройники по ОСТу на электронную почту или звоните по телефону:
+7 (495) 223-64-73
+7 (495) 726-11-08
E-mail: air2013@yandex.ru
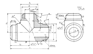
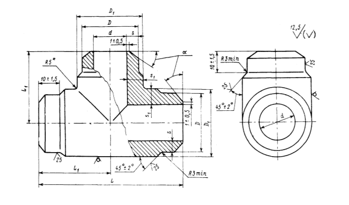
- 2. Конструкция и размеры тройников должны соответствовать указанным на чертеже.
- 3. Материал — сталь марки 12Х1МФ по ТУ 14-1-3987 Гр. IIТ ОСТ 108.030.113.
- 4. Остальные технические требования — по ОСТ 108.030.113 и ОСТ 24.125.60.
- 5. Исполнение, указанное в скобках, применять по согласованию с предприятием-изготовителем.
- 6. Пример условного обозначения тройника равнопроходного исполнения 02 с условным проходом Dy = 15 мм:
ТРОЙНИК РАВНОПРОХОДНЫЙ 15 02 ОСТ 108.720.05.
- 7. Пример маркировки: 02 ОСТ 108.720.05
Детали
| Вес | 1.5 кг |
|---|---|
| Габариты | 50 × 80 × 50 м |



