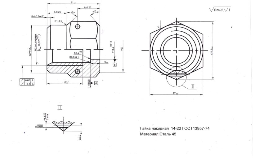
14-22ц гайка ГОСТ 13957-74 сталь 45

Партия авиационного крепежа по ОСТ 1

Партия крепежа для систем топливопровода отгружена заказчику.

1. Гайка 20-1-Хим.Пас.-ОСТ 1 33242-89 ;
2. Гайка 20х1,5-Хим.Пас.-ОСТ 1 33043-80;
3. Гайка 24-1-Хим.Пас.-ОСТ 1 33242-89;
4. Гайка 30-1-Хим.Пас.-ОСТ 1 33242-89 ;
5. Гайка-ОСТ 1 33242-89: 16-1-Хим.Пас.;

Авиационный крепеж (авиаметизы) представляет собой специализированные крепежные изделия, такие как болты, гайки, шайбы, заклепки и хомуты, предназначенные для использования в авиастроении. Эти элементы критически важны для обеспечения безопасности, надежности и долговечности самолетов, вертолетов и беспилотных летательных аппаратов. Они должны соответствовать строгим стандартам, включая ГОСТ, ОСТ и авиационные нормали, выдерживать экстремальные нагрузки, температуры и коррозию.

Телефон для связи : WhatsApp.

Заказать авиационный крепеж возможно позвонив по телефону или написать на электронную почту:

+7 (495) 223-64-73
+7 (495) 726-11-08

E-mail: air2013@yandex.ru