Обзор эволюции стандартов в конструкторской практике.
В мире авиационного машиностроения стандарты — это не просто бюрократические формальности, а фундамент надежности и безопасности. Соответствие авиационных нормалей в ОСТ 1 — процессе, который стал ключевым мостом между устаревшими, но проверенными нормами советской эпохи и современными отраслевыми стандартами. Этот «перевод» — не буквальный, а скорее гармонизация, позволяющая конструкторам работать с преемственностью, минимизируя риски при модернизации флота.
Телефон для связи : WhatsApp.
Исторический контекст: От нормалей к ОСТ.
Авиационные нормали — это детище 1930–1940-х годов, когда советская авиационная промышленность бурно развивалась под влиянием Великой Отечественной войны и послевоенного восстановления. Нормали (или «авиационные нормали») представляли собой упрощенные технические условия на крепежные изделия, болты, гайки, заклепки и другие элементы конструкции. Они были разработаны в НИИ-1 НКАП (Народный комиссариат авиационной промышленности) и обозначались как, например, 3001А или 971А50. Эти документы были лаконичны, ориентированы на массовое производство и учитывали специфику алюминиевых сплавов и высоконагруженных соединений в самолетах типа Ил-2 или Як-3.
С ростом сложности конструкций в 1950–1960-е годы нормали стали устаревать. В 1970-х, в рамках унификации стандартов в СССР, родились ОСТ 1 — Общесоюзные отраслевые стандарты для авиационной промышленности. ОСТ 1 (например, ОСТ 1 31102-80 для болтов) расширили и детализировали нормали, добавив требования к материалам (Ст20, 30ХГСА), допускам, покрытиям и испытаниям. Они были утверждены Госстандартом СССР и распространялись на все этапы: от проектирования до эксплуатации.
«Перевод» нормалей в ОСТ 1 — это систематическая работа по корреляции старых обозначений с новыми. Она началась в 1970-х и продолжается по сей день, особенно в России после 1991 года, когда многие ОСТ адаптировали под ГОСТ и международные стандарты (ISO, EN). Важность этого процесса огромна: он обеспечивает преемственность. Представьте, что вы модернизируете Ту-154 — вы не можете просто заменить болт по новой схеме, не зная, что 3001А соответствует ОСТ 1 31102-80. Без таблиц соответствий проектирование превратится в хаос, а сертификация — в бесконечные споры с Росавиацией.
Заказать позвонив по телефону или написать на электронную почту:
+7 (495) 223-64-73
+7 (495) 726-11-08
E-mail: air2013@yandex.ru
Суть «перевода»: Таблицы соответствий как инструмент конструктора.
Перевод — это не механическая замена, а глубокий анализ геометрии, материалов и нагрузок. Для каждого элемента (болты, винты, шайбы) создаются таблицы, где старый «нормаль» (A-серия) сопоставляется с ОСТ 1. Эти таблицы — соответствий для авиационных КБ. Они учитывают не только размеры, но и антикоррозионные покрытия (например, кадмирование для морских условий) и усталостную прочность.
Вот ключевые категории и примеры из стандартных таблиц соответствий (на основе данных НИИ авиационных материалов и отраслевых справочников):
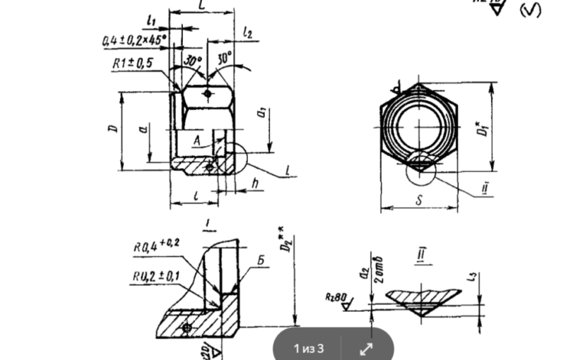
Болты — основа соединений.
Болты — это «скелет» фюзеляжа и крыла. Перевод здесь наиболее детализирован, так как они несут до 80% нагрузок.
| Наименование | Авиационная нормаль | ОСТ 1 |
|---|---|---|
| Болт с потайной головкой | 3001А | ОСТ 1 31102-80 |
| Болт с шестигранной головкой | 3003А | ОСТ 1 31103-80 |
| Болт анкерный | 3005А | ОСТ 1 31107-80 |
| Болт с полной резьбой | 3014А | ОСТ 1 31115-80 |
| Болт высокопрочный | 3070А | ОСТ 1 31171-80 |
| Болт для высоких температур | 5916А | ОСТ 1 10570-72 |
Эти соответствия спасли не один проект: в 1980-х при доработке Су-27 мы использовали их, чтобы заменить устаревшие нормали без перерасчета всей конструкции.
Винты и гайки — для динамических нагрузок.
Винты фиксируют панели, а гайки — обеспечивают герметичность. Перевод учитывает вибрации и циклы взлет-посадка.
| Наименование | Авиационная нормаль | ОСТ 1 |
|---|---|---|
| Винт с крестообразной головкой | 971А50 | ОСТ 1 31573-80 |
| Винт потайной | 3147А | ОСТ 1 31504-80 |
| Гайка самоблокирующаяся | 1621А | ОСТ 1 10294-80 |
| Гайка шестигранная | 1601А | ОСТ 1 10296-80 |
Заклепки и шайбы — для монолитности.
Заклепки — вечный выбор для обшивки, шайбы распределяют нагрузку.
| Наименование | Авиационная нормаль | ОСТ 1 |
|---|---|---|
| Заклепка полусферическая | 1011А | ОСТ 1 10267-80 |
| Шайба плоская | 1101А | ОСТ 1 10289-80 |
| Шайба стопорная | 1121А | ОСТ 1 10290-80 |
Полные таблицы насчитывают сотни позиций и доступны в справочниках вроде «Авиационные нормали и ОСТ 1» (изд. МАИ, 2005). В цифровую эпоху они интегрированы в CAD-системы типа КОМПАС-3D или Siemens NX, где «перевод» автоматизирован скриптами.
Значение для современной авиации.
В эпоху цифровизации и импортозамещения «перевод» нормалей в ОСТ 1 приобретает стратегическое значение. Россия, наследуя советское наследие, эксплуатирует тысячи самолетов по нормалям 1940-х, но новые проекты (Су-57, МС-21) требуют ОСТ 1 с элементами ГОСТ Р и EASA. Это снижает затраты на 20–30% за счет унификации и ускоряет сертификацию.
Однако вызовы остаются: старые нормали не всегда учитывают композиты или 3D-печать. В моих проектах мы дополняем переводы расчетами по ANSYS, проверяя усталость на 10х6 циклов. Без этого — риски, как в инцидентах с Boeing 737 MAX, где несоответствия стандартов сыграли роль.